
Training Piping Drafting
Piping Drafting
Rp6000000.00
DESCRIPTION
The use of Piping has become a prime source in recent times, as they are needed in big petrochemical plants or oil & gas piping industry as well. Hence, a considerable experience is required to handle these piping based structures and the engineers having an apt knowledge are preferred in the industry.
The Drafting training will acquaint the candidates about the knowledge of design and drafting principles and implementing them successfully. This can help the candidates to get better job prospects and achieve heights.
The expert trainers will help the candidates know more about Piping industry and the role of Engineers in it along with the following:
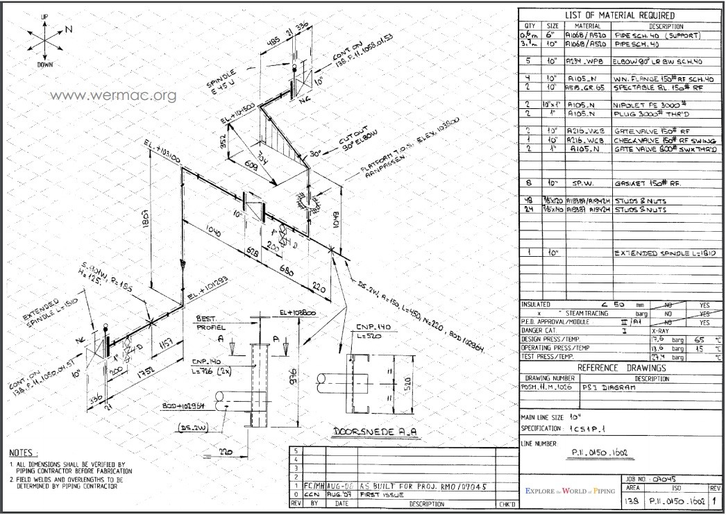
Piping Drafting Training Course Content
Introduction to industry
Development of drafting skills and basics of engineering drawing
Guidelines of various process plants and their drafting requirements
Basic fundamentals and concepts of piping design and drafting
Preparation of Isometric drawings and Bill of Material
Basics of plot plan development
Development of equipment & piping layouts
Preparation of nozzle orientation
Basic study of selected manufacturing processes
Guidelines to preparation of as built drawings
Overview of international codes and standards
Computer Aided Drafting
TARGET AUDIEANCE
This course is ideal for drafter / engineer candidates who want to learn piping drafting or intend to establish a career in this domain.
DURATION COURSE:
10X Class ( Just weekend class )
Time Course : @ 8 hours / day
SCHEDULE COURSE:
May 2024
July 2024
September 2024
November 2024
*Start the course the first week of every month
